| Sign In | Join Free | My chinalane.org |
|
Brand Name : ELCO
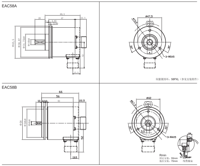
Model Number : EAC58C10-GS6XPCR-8192
Place of Origin : China
Shaft dia : Ф6/Ф8/Ф9/Ф10g6(mm)
Working temperature : -40...+80
Max. resolution : IP65
Output mode : SSI and parallel Port
Supply voltage : 10...30VDC
Protection degree : IP65
out frame size : Φ58
Standard absolute value single-turn encoder EAC58 series, with good mechanical damage resistance, able to withstand high axial and radial loads, mechanical flanges and electrical multiple output forms are available for customers to choose from. Resolution up to 8192, with reset function to provide users with more convenient correction operation.
Features :


|
|
ELCO Encoder Rotational Speed Sensor Standard Axle Absolute Value Single Turn Encoder EAC58 Images |